A quartz crystal equipped with electrodes behaves electrically like a resonant circuit with a high quality factor (Q). With its help, oscillators of high frequency stability can be built. Quartz oscillators are now widely used as frequency or time standards in processors, microcontrollers, radios, and quartz watches.
Oscillators
An electronic oscillator is a circuit that generates a periodic (oscillating) alternating current signal, typically a sine wave, square wave, or triangle wave. Such circuits are found in many electronic devices, such as radio and television transmitters and receivers, computers, electronic clocks, mobile phones, radars, and more. There are many types of oscillator circuits, including LC oscillators (e.g., Meissner, Hartley, Colpitts, Clapp), RC oscillators, Wien bridge oscillators, quartz oscillators, etc.
In terms of oscillation generation, we distinguish between two major types: harmonic oscillators and relaxation oscillators.

Harmonic oscillators generate sinusoidal (or nearly sinusoidal) signals. A general block diagram of such an oscillator is shown in Figure 1. The purpose of the feedback network is to provide positive feedback at a specific frequency — the oscillator’s operating frequency — between the amplifier’s output and input. The condition for oscillation is that the loop gain satisfies:
and:
The first equation is called the amplitude condition, the second is the phase condition. According to the amplitude condition, oscillation can only occur if the amplifier compensates for the attenuation of the feedback circuit. From the phase condition, we can deduce that oscillation only arises if the output and input voltages are in phase.
- If H < 1, the oscillation is damped.
- If H > 1, the amplitude increases continuously (theoretically to infinity, practically until limited by the power supply).
Since the condition H = 1 cannot be perfectly maintained under all conditions, a practical oscillator includes an amplitude stabilizing circuit, which regulates the amplifier gain (A) so that the product of the feedback attenuation (β) and the voltage gain (A) equals 1 at the operating frequency.
(Note: In practice, amplitude stabilization is often achieved by the amplifier itself. For example, in a transistor-based Clapp oscillator, negative feedback via the emitter resistor plays this role.)
The frequency-dependent feedback network can be implemented using resistor-capacitor (RC) or inductor-capacitor (LC) components. For resonant frequencies below a few tens of kHz, the required inductors and capacitors would be very large, so LC oscillators are typically used for frequencies above 50–100 kHz. At lower frequencies, RC oscillators are preferred (e.g., phase-shift or Wien bridge oscillators).
A benefit of these is that they can be easily tuned using variable capacitors. Their drawback, however, is that due to temperature dependence — particularly of ceramic capacitors — even with careful design, the frequency stability is limited to around ∆f/f₀ ≤ 10⁻⁴. For instance, this would mean a daily time drift of 9 seconds in an electronic clock — around 4–5 minutes per month.
Instead of an LC circuit, however, a crystal resonator can be used, providing significantly better frequency stability, in the range of 10⁻⁶ to 10⁻¹⁰.
Relaxation Oscillators
Relaxation oscillators do not produce sinusoidal signals. They typically consist of an energy storage element (usually a capacitor) and a switching device (such as a Schmitt trigger). The switching device periodically charges and discharges the capacitor between two threshold voltages, thus generating a square or triangle wave.
Quartz Crystal
The operation of a crystal oscillator is based on the piezoelectric property of quartz: the speed at which the quartz crystal expands and contracts determines the resonant frequency. Before World War II, quartz crystals were cut from flawless natural quartz, mainly sourced from Brazil. Wartime import difficulties prompted the development of artificial quartz.
Today, more than two billion quartz resonators are manufactured annually, all from synthetic quartz produced by hydrothermal synthesis.

Quartz crystals are manufactured in various sizes and packages. In the past, they came in glass, plastic, or metal enclosures. Nowadays, miniature metal-can types dominate. Figure 3 shows a quartz crystal from an old Soviet military radio with the casing unscrewed. This structure is typical for many other crystal sizes, except for older, low-frequency, long rod-shaped crystals in glass housings with four terminals.

A crystal wafer is cut from the quartz in a specific orientation and shape, then ground to a precise thickness so that its mechanical resonance matches the desired oscillation frequency. The wafer is usually a flat disc, although in common 32,768 Hz wristwatch crystals, it takes the shape of a tiny tuning fork. A thin silver layer is electroplated onto the polished wafer surface, which connects to the leads.

Piezoelectricity
Piezoelectricity was discovered in 1880 by Jacques and Pierre Curie while studying tourmaline crystals. The essence of piezoelectricity is that when a crystal is mechanically deformed, electric polarization occurs within the crystal, and a measurable electric voltage appears across it.
The phenomenon is explained by the fact that macroscopic deformation in a specific direction causes the displacement of charge centers (ions) within the crystal. As a result, the unit cell of the crystal — which was previously electrically neutral outwardly — becomes polarized. The polarization of individual unit cells adds up (superimposes), but non-zero macroscopic polarization only occurs in crystals that lack a center of symmetry.
Piezoelectricity also works in reverse: if a voltage is applied to the crystal, its shape changes.
The relationships among electric field strength (E), polarization (P), strain (S), and mechanical stress (T) are expressed by the following equations:
where d and e are the so-called piezoelectric tensors. The first equation describes the direct piezoelectric effect, while the second describes the inverse piezoelectric effect (Prohászka, 1988).
Resonance and Quality Factor
A quartz crystal operates as an electromechanical transducer: it converts electrical energy into mechanical energy, and then reconverts the mechanical energy back into electrical energy. The impedance measured across its terminals varies depending on the operating frequency.
From an electrical perspective, the quartz crystal can be represented by the equivalent circuit shown in Figure 5. The components L, C, and R arise from the crystal’s piezoelectric properties, while C₀ results from the silver coating applied to both sides of the crystal and the capacitance of the connecting leads.

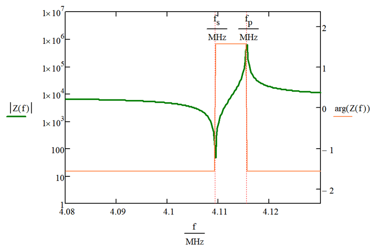
A quartz crystal typically has two closely spaced natural frequencies, which are determined by the crystal’s dimensions, elastic modulus, and cut angles—but in practice, only one of these frequencies is used. Its value is very stable, as the crystal’s properties change only minimally with temperature. The crystal has no internal failure mechanisms, and it essentially does not age. Under normal conditions, it is protected from environmental influences by a hermetically sealed case.
Let’s examine the behavior of a quartz crystal using a practical example! A quartz crystal rated at 4 MHz has the following typical parameters: L = 100 mH, C = 0.015 pF, R = 100 Ω, and C₀ = 5 pF.
Based on the equivalent circuit shown in Figure 5—and neglecting the resistance R—the impedance of the quartz crystal is:
The resonance frequency of the series resonant circuit formed by the elements L, C, and R occurs where Z = 0:
There is also a second, parallel resonance frequency at the point where Z = ∞:
The crystal can operate at either the series or the parallel resonance frequency, but the oscillator must be designed for one or the other—both cannot be used simultaneously. Below the series resonance frequency (fₛ) and above the parallel resonance frequency (fₚ), the crystal exhibits capacitive behavior, while between fₛ and fₚ, it behaves inductively.

It can be seen that the series resonance frequency depends solely on the well-defined product of L and C, meaning it is determined only by the crystal’s intrinsic properties. In contrast, the parallel resonance frequency is significantly influenced by the uncertain value of C₀.
To avoid the uncertainty of the parallel resonance, it is advisable to connect an external capacitor (Cₚ) in parallel with the crystal, where Cₚ is much larger than C₀. This way, the combined capacitance dominates, shifting the parallel resonance frequency (fₚ) to just above the series resonance frequency (fₚ ≈ fₛ), making the uncertain C₀ value negligible.
However, this approach introduces a compromise in frequency stability, because the addition of Cₚ reduces the impedance achievable at resonance—and thus lowers the quality factor (Q).
In series resonance mode, no such compromise is necessary.

The quality factor (Q) is the ratio of the resonant frequency of the oscillating circuit to its resonant bandwidth:
For comparison, in typical LC oscillators, the quality factor is on the order of 100 (Tietze & Schenk, 1993).
We can observe that the difference between fₛ (the crystal’s fundamental frequency) and fₚ is small.
However, in this frequency range, the Q-factor of the crystal is extremely high, because the crystal’s inductance is much greater than its capacitive or resistive components.
Fine-Tuning the Frequency
To precisely set the frequency of a quartz oscillator, the resonance frequency must be slightly adjustable. This can be achieved by connecting a trimmer capacitor in series with the quartz crystal. The capacitor’s value should be relatively large compared to C in order not to degrade the frequency stability (Tietze & Schenk, 1993). If
then
Practical Circuits
Fundamental Harmonic Oscillators
Oscillators Using Parallel Resonance
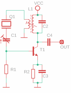
Figure 8 shows a variation of a Colpitts oscillator (a capacitive three-point configuration).
Its frequency-determining element is an LC resonant circuit, where the resonant frequency is determined by the inductance L₁ and the series equivalent of the capacitors C₁ and C₂, according to the Thomson formula.
The transistor in a common-emitter configuration provides a 180° phase shift, and the voltages across capacitors C₁ and C₂ feed the base with a signal that is also 180° out of phase with the collector voltage—thus achieving the 360° total phase shift required for oscillation (positive feedback).
The feedback ratio is set by the capacitive voltage divider formed by C₁ and C₂, ensuring the amplitude condition is met.
The transistor’s biasing is provided in the usual way by resistors R₁, R₂, and R₄. A choke coil may also be used in place of R₃ in the collector circuit.

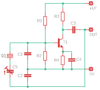
If the parallel LC resonant circuit in the Figure 8 schematic is replaced by a quartz crystal operating at its parallel resonance, the result is a Pierce oscillator (Figure 9).
At first glance, it looks very similar to the Colpitts oscillator, but here the frequency-determining components are the crystal Q₁ and capacitor C₅. C₁ and C₂ function solely as a voltage divider; they are dimensioned so that their series equivalent gives the Cp value typically used with parallel-resonant crystals, and their ratio is chosen to satisfy the amplitude condition βAu=1\beta A_u = 1βAu=1.
The output amplitude must be kept low to avoid excessive power dissipation in the crystal; otherwise, the quartz may damage itself due to excessive vibration.

In practice, nearly all digital clock IC oscillators are of the Pierce type, as this circuit can be implemented with a minimal number of components. The crystal must be driven with low internal resistance in order not to degrade the quality factor of the crystal operating at series resonance (Matthys, 1988).
Oscillators Using Series Resonance
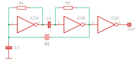
By utilizing series resonance, more favorable operating characteristics can be achieved, since in this case the resonant frequency is completely independent of the C₀ or Cₚ capacitance. The idea is to convert an LC oscillator into a crystal oscillator by placing the quartz crystal in the feedback path. This way, positive feedback can only occur at the crystal’s series resonance frequency. Oscillation can arise only if the resonant circuit is tuned to the crystal’s fundamental frequency (or to one of its harmonics).

Figure 11 shows a quartz oscillator operating at series resonance, using CMOS or TTL inverters as amplifiers.


Overtone Oscillators
To achieve resonance frequencies above several tens of megahertz, the quartz crystal would need to be ground to impractically small dimensions. Therefore, crystals designed for such nominal frequencies typically operate on one of their mechanical overtones (harmonics). In such cases, the crystal may also tend to oscillate at other frequencies, particularly the fundamental.
The oscillator circuits discussed so far cannot be used as overtone crystal oscillators.
To operate a crystal on one of its overtones, an amplifier is required that has maximum gain in the vicinity of the desired overtone frequency. This selective amplification can be achieved using an additional LC resonant circuit.
Figure 13 shows a modified Pierce crystal oscillator, where C2 and L1 form a parallel resonant circuit that blocks the crystal’s fundamental frequency and allows oscillation at an overtone frequency (3rd, 5th, or even 7th harmonic). Capacitor C3 does not influence the resonant circuit; it provides DC isolation, and its value is not critical, though C3 ≫ C2.
Note: This is a very simple circuit meant to demonstrate the concept; its drawback is that it may still oscillate at the fundamental frequency.

Poorly designed oscillators may tend to oscillate at an overtone instead of the fundamental frequency, or vice versa, at the fundamental instead of the intended overtone. This can be a serious safety hazard. For example, in 1972, a train accident in Fremont, California was traced back to a faulty crystal oscillator on a control panel. Due to an incorrect capacitor value in the oscillator circuit, the oscillation jumped to an overtone frequency. As a result, the train accelerated instead of slowing down as it approached a station. It overshot the raised track at the end of the platform and crashed to the ground.
Four people on board were injured (OTA, 1976).
Accuracy of Quartz Oscillators
Temperature Dependence
The natural frequencies of quartz resonators exhibit temperature dependence. The nature and value of the temperature coefficient depend on the cut of the crystal, that is, how the quartz plate, disc, or rod is sliced relative to the symmetry axes of the original quartz crystal.
For X-cut crystals (cut perpendicular to the x-axis), as well as CT, DT, and SL types, the temperature coefficient follows an inverted parabolic pattern, with its peak around +20 to +24 °C. If the resonance is set within this temperature range, then for these cuts, whether the temperature increases or decreases, the frequency will decrease.


The temperature–frequency characteristic of AT-cut crystals follows a third-order parabolic curve. The AT cut at an angle of 35°13′ relative to the z-axis provides the best frequency stability in the temperature range of +5 °C to +40 °C. For a wider range, such as –20 °C to +60 °C, a cut at 35°15′ performs better. The stability of AT-cut crystals decreases with increasing frequency; above 30 MHz, it is more advantageous to use overtone oscillators (FTS, 2010).
To eliminate the temperature dependence of the natural frequency, in practice, either compensation or thermostating is used. In the international literature, a temperature-compensated crystal oscillator is referred to as a TCXO (Temperature Compensated Crystal Oscillator).
Its operation is based on correcting the quartz’s natural frequency drift using an RC network with temperature-dependent characteristics, acting opposite to the quartz’s frequency shift. The external circuit elements (such as capacitors) that influence the resonance frequency are selected with temperature coefficients such that the overall frequency remains nearly constant over temperature.
While standard quartz crystals typically offer frequency stability around ±30 ppm, TCXOs can achieve stability between ±5 ppm and ±50 ppb in the range of –40 °C to +85 °C.


Another method for reducing the frequency variation with temperature is to place the crystal in a thermostat (also known as a crystal oven). This is a thermally insulated enclosure in which the temperature is kept constant using electric heating and a temperature control circuit.
Oscillators built this way are called OCXO (Oven-Controlled Crystal Oscillator) (Mancini, 2004).
Aging
Over time, crystals undergo a slow, gradual frequency drift, known as aging. Causes of crystal aging include changes in mechanical stress within the mounting or leads, changes in the mass of the crystal due to adsorbed surface contaminants, diffusion of impurity atoms within the material, movement or formation of dislocations, or radiation-induced damage.
Slow frequency drift can also be caused by the aging of external components (e.g., capacitors) and changes in the setting of the crystal oven.
The aging rate decreases exponentially over time, with the largest changes occurring shortly after manufacturing. This effect can be reduced by artificial aging, typically by storing the crystal at 85–125 °C for a period of time. A sustained DC voltage across the electrodes accelerates aging—likely due to enhanced diffusion of impurities in the crystal lattice. This can be avoided by connecting a capacitor in series with the crystal and a high-value resistor (several megaohms) in parallel, which keeps the DC voltage across the crystal to a minimum (Mancini, 2004).
Mechanical Damage
Since the crystal operates on the piezoelectric principle, it is sensitive to mechanical stress and shocks.
Shocks usually cause temporary frequency shifts, but lattice defects, contaminant movement, or changes in external circuit parameters can also lead to permanent changes.
Crystals free from surface defects are more shock-resistant, and chemical polishing can improve their stability. Severe shocks can destroy the crystal—by either breaking the mount or cracking the crystal itself.
Crystals can also suffer mechanical damage from overdriving, i.e., when the oscillator causes the crystal to vibrate at excessively high amplitudes. This is especially common with low-frequency, long rod-shaped, or tuning fork-style crystals operating in flexural mode, which are more prone to fracture due to overdrive.
Noise
Crystals also suffer from small, short-term frequency fluctuations, known as phase noise or jitter.
Sources of such noise include thermal noise, phonon scattering influenced by lattice defects, internal noise of oscillator circuits, and external mechanical vibrations (microphony).
Summary
Quartz oscillators are used for timekeeping (e.g., quartz watches, electronic clocks) and as frequency and time references, functioning as clock generators in digital technology. Their frequencies range from kilohertz to several hundred megahertz.
Their key feature is high frequency stability (typically between 10⁻⁵ and 10⁻⁷), which can be improved with a crystal oven to as good as 10⁻¹² in the short term and 10⁻⁹ over longer periods. The output signal can be sinusoidal, square wave, or TTL, CMOS, etc., compatible.
References
FTS Inc. (2010): Technical Terminology. https://txccrystal.com/term.html Last accessed: May 1, 2024.
Mancini, Olie (2004): Tutorial: Precision Frequency Generation Utilizing OCXO and Rubidium Atomic Standards with Applications for Commercial, Space, Military, and Challenging Environments. IEEE Long Island Chapter, March 18, 2004. https://www.ieee.li/pdf/viewgraphs/precision_frequency_generation.pdf Last accessed: May 1, 2024.
Matthys, Rober J. (1992): Crystal Oscillator Circuits. Krieger Publishing Company, Malabar, Florida. pp. 51–52. ISBN: 0-89464-552-8
OTA (1976): Automatic Train Control in Rail Rapid Transit. United States Congress Office of Technology Assessment. May 1, 1976. pp. 45–49.
Prohászka, János (1988): Introduction to Materials Science I. Tankönyvkiadó, Budapest. pp. 273–276. ISBN: 963-18-0672-3.
Tietze, U. & Schenk, U. (1993): Analog and Digital Circuits. 5th revised edition. Műszaki Könyvkiadó, Budapest. pp. 436–440. ISBN: 963-16-0010-6